文库 行业方案 石油化工

《国家危险废物名录(2021年版)》

PDF   33页   下载0   2025-08-05   浏览50   收藏0   点赞0   评分-   32345字   100积分 侵权举报
温馨提示:当前文档最多只能预览 3 页,若文档总页数超出了 3 页,请下载原文档以浏览全部内容。
《国家危险废物名录(2021年版)》 第1页
《国家危险废物名录(2021年版)》 第2页
《国家危险废物名录(2021年版)》 第3页
剩余30页未读, 下载浏览全部
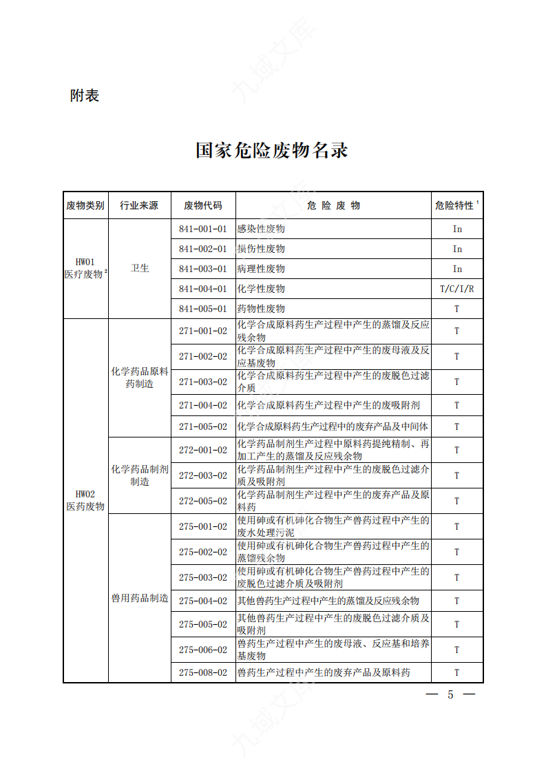
  — 3 — 国家危险废物名录(2021 年版) 第一条 根据《中华人民共和国固体废物污染环境防治法》的 有关规定,制定本名录。 第二条 具有下列情形之一的固体废物(包括液态废物),列 入本名录: (一)具有毒性、腐蚀性、易燃性、反应性或者感染性一种或 者几种危险特性的; (二)不排除具有危险特性,可能对生态环境或者人体健康造 成有害影响,需要按照危险废物进行管理的。 第三条 列入本名录附录《危险废物豁免管理清单》中的危险 废物,在所列的豁免环节,且满足相 应的豁免条件时,可以按照豁 免内容的规定实行豁免管理。 第四条 危险废物与其他物质混合后的固体废物,以及危险废 物利用处置后的固体废物的属性判定 ,按照国家规定的危险废物鉴 别标准执行。 第五条 本名录中有关术语的含义如下: (一)废物类别, 是在《控制危险废物越境转移及其处置巴塞尔 公约》划定的类别基础上,结合我国实际情况对危险废物进行的分类。 (二)行业来源,是指危险废物的产生行业。 (三)废物代码,是指危险废物的唯一代码,为 8 位数字。其   — 4 — 中,第 1-3 位为危险废物产生行业代码(依据《国民经济行业分类 (GB/T 4754-2017)》确定),第 4-6 位为危险废物顺序代码,第 7-8 位为危险废物类别代码。 (四)危险特性,是指对生态环境和人体健康具有有害影响的 毒性(T oxicity, T)、腐蚀性( Corrosivity, C)、易燃性 ( Ignitability, I)、反应性( Reactivity, R)和感染性 (Infectivity, In)。 第六条 对不明确是否具有危险特性的固体废物,应当按照国 家规定的危险废物鉴别标准和鉴别方法予以认定。 经鉴别具有危险特性的,属于危险废物,应当根据其主要有害 成分和危险特性确定所属废物类别,并按代码“900-000-××” (× ×为危险废物类别代码)进行归类管理。 经鉴别不具有危险特性的,不属于危险废物。 第七条 本名录根据实际情况实行动态调整。 第八条 本名录自 2021 年 1 月 1 日起施行。原环境保护部、国 家发展和改革委员会、公安部发布的 《国家危险废物名录》(环境 保护部令第 39 号)同时废止。   — 5 — 附表 国家危险废物名录 废物类...
《国家危险废物名录(2021年版)》
QQ
微信
微信公众号
扫一扫
客服